Waarom kiezen voor Schroeffundering U-beugel Verstelbaar - Per Stuk?
- Verstelbaar van 77 tot 110 mm
- Inclusief M16 bout, moer en sluitringen
- Eenvoudig koppelen met koppelstuk
- Eenvoudig te verwijderen en herbruikbaar
Schroeffundering U-beugel Verstelbaar - Per Stuk
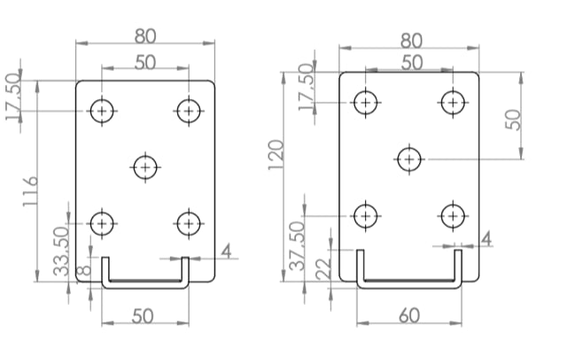
Deze U-beugel is verstelbaar, waardoor u zelf de breedte kunt bepalen. De breedte reikt van 77 tot en met 110 mm. Beide zijplaten zijn voorzien van 5 schroefgaten, welke zorgen voor een stevige verankering van een houten paal. U zet de U-beugel vast op het koppelstuk met de meegeleverde bevestigingsmaterialen. Om de U-beugel op het schroeffundament te monteren heeft u namelijk een koppelstuk nodig. U vindt deze in het assortiment schroeffunderingen en tussen de bijbehorende producten.
U-beugel verzinkt
De U-beugel is gemaakt van verzinkt staal en dus ijzersterk. De beugel wordt ook wel een flexbeugel genoemd, omdat deze in breedte verstelbaar is. Wanneer u de beugel met een bout op het koppelstuk monteert en strak aandraait, is deze niet meer te verstellen. Draai de moer dus iets los om de beugel op de juiste stand te stellen. Dit kunt u het beste doen door de gewenste houten paal al in de beugel te zetten, de paal vast te klemmen en zo de beugel in te stellen. U kunt een houten paal in de U-beugel monteren met bijvoorbeeld korte tellerkopschroeven 8.0x40 mm of met houtdraadbouten M10x40 mm. Het is maar net waar u de voorkeur aan geeft. De montagegaten zijn 11 mm in diameter. Bestel uw bevestigingsmaterialen eenvoudig mee uit ons assortiment tellerkopschroeven of houtdraadbouten.
Schroeffundering plaatsen
Het plaatsen van een schroeffundering is helemaal niet moeilijk. In onderstaande video legt Jesse stap voor stap aan u uit hoe u de schroeffundering moet plaatsen.
U paalhouder kopen
Bestel uw U-beugel voor schroeffunderingen nu voordelig bij Wovar en zet vierkante houten palen eenvoudig vast aan uw schroeffundering. Bedrijven in de bouw- klussector en hoveniers profiteren bij Wovar van vele voordelen met een zakelijk account. U ontvangt dan onder andere een vaste zakelijke korting, een vast contactpersoon en een handig orderoverzicht.
Toch op zoek naar een andere vorm van fundering? Bekijk ons assortiment paalhouders en poeren.
Productspecificaties:
| Merk | Wovar |
|---|---|
| Artikelnummer | WV004542 |
| EAN code | 8720647812614 |
| Kenmerk 1 | 80 mm breed en 120 mm lang |
| Kenmerk 2 | In totaal 10 montagegaten met diameter 11 mm |
| Kenmerk 3 | Geschikt voor M16 bout |
| Type | Schroeffundament |
| Materiaal | Verzinkt staal |
| Verstelbaar | Ja |
| Afmetingen (LxB) | 80 x 80 x 120 mm |















